M11 Wiring Diagram For Accelerator


Diagrama C15 Fuel Injection Throttle

Diagrama C15 Fuel Injection Throttle

Wiring Diagrams L10 M11 N14 Throttle Fuel Injection

Wiring Diagrams L10 M11 N14 Throttle Fuel Injection

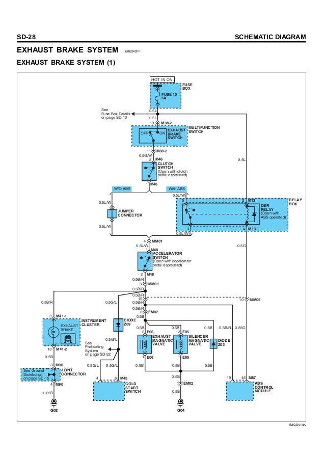
Hyundai County Electrical Troubleshooting Manual

Hyundai County Electrical Troubleshooting Manual


Cummins M11 Wiring Diagram Wiring Diagram

Cummins M11 Wiring Diagram Wiring Diagram

Hyundai County Electrical Troubleshooting Manual

Hyundai County Electrical Troubleshooting Manual

Cummins Isx Engine Wiring Harness

Cummins Isx Engine Wiring Harness

Mins M11 Ecm Wiring Diagram Tuli 6balmoond Mooiravenstein Nl

Mins M11 Ecm Wiring Diagram Tuli 6balmoond Mooiravenstein Nl

Schematic View Of The On Issue In Running A Rtl Analysis

Schematic View Of The On Issue In Running A Rtl Analysis

Chery Orinoco M11 Service Manual

Chery Orinoco M11 Service Manual

Schematic Of Beam Test Setup At The Triumf M11 Facility The

Schematic Of Beam Test Setup At The Triumf M11 Facility The

Accelerator Pedal Wiring Diagram Volvo Wiring Diagram

Accelerator Pedal Wiring Diagram Volvo Wiring Diagram

Cummins M11 Wiring Diagram Wiring Diagram

Cummins M11 Wiring Diagram Wiring Diagram