Manual Honda C70 Wiring Diagram


5 Honda Ct70 Wiring Diagrams Home Of The Pardue Brothers

5 Honda Ct70 Wiring Diagrams Home Of The Pardue Brothers

Yamaha Y100 Beller Parts Manual Mechanical Engineering Nature

Yamaha Y100 Beller Parts Manual Mechanical Engineering Nature

Honda C50 C70 C90 1967 2003 Haynes Service Repair Manual

Honda C50 C70 C90 1967 2003 Haynes Service Repair Manual


Free Manuals Motorcycle Forum

Free Manuals Motorcycle Forum

Volvo V50 Service And Repair Manuals Free Download

Volvo V50 Service And Repair Manuals Free Download

Honda Ct90 Wiring Diagram

Honda Ct90 Wiring Diagram

Honda Motorcycles Manual Pdf Wiring Diagram Fault Codes

Honda Motorcycles Manual Pdf Wiring Diagram Fault Codes

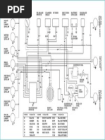
Super Power Cd70 Bike Wiring Diagram General Motorcycle

Super Power Cd70 Bike Wiring Diagram General Motorcycle

Honda Grom Msx 125 Service Manual Pdf

Honda Grom Msx 125 Service Manual Pdf

6cf8dc Gmc 6500 Wiring Harness Diagram Wiring Library

6cf8dc Gmc 6500 Wiring Harness Diagram Wiring Library

Yamaha Rx Z Catalyzer First Model Owner Manual Screw Piston

Yamaha Rx Z Catalyzer First Model Owner Manual Screw Piston

B9ead89 Honda Cb350 Wiring Diagram Simple Wiring Library

B9ead89 Honda Cb350 Wiring Diagram Simple Wiring Library