Minn Kota 24 Volt Trolling Motor Battery Wiring Diagram


Minn Kota Service Manual

Minn Kota Service Manual

81662b6 Minn Kota Vantage Wiring Diagram 36 Volt Battery Wiring

81662b6 Minn Kota Vantage Wiring Diagram 36 Volt Battery Wiring

Diagram Based Minn Kota Talon Wiring Diagram Completed Diagram

Diagram Based Minn Kota Talon Wiring Diagram Completed Diagram


Charging A Trolling Battery From Your Outboard

Charging A Trolling Battery From Your Outboard

55b55s Diagram Schematic Minn Kota Switch Wiring Diagram Full Hd

55b55s Diagram Schematic Minn Kota Switch Wiring Diagram Full Hd

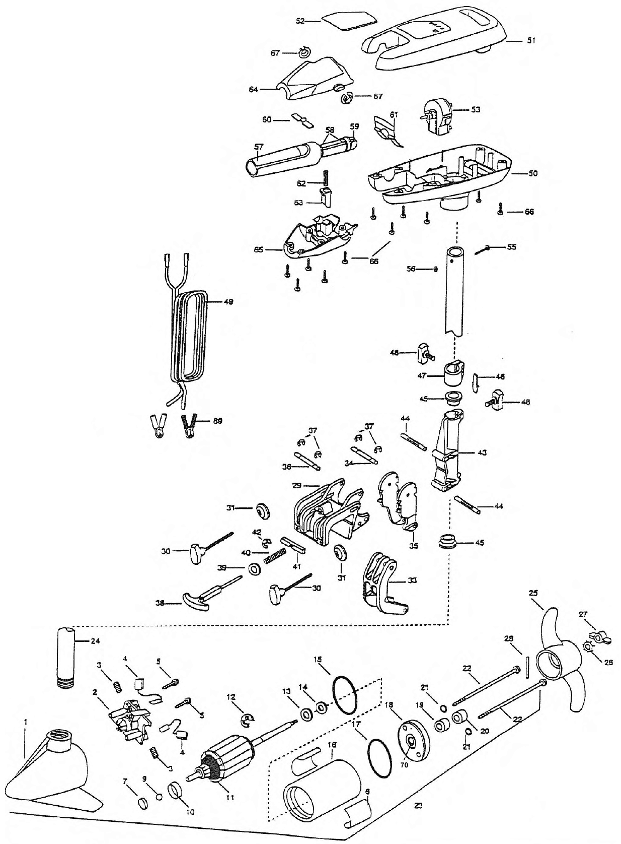
Minn Kota Powerdrive V2 80 Parts 2011 From Fish307 Com

Minn Kota Powerdrive V2 80 Parts 2011 From Fish307 Com

Minn Kota 80lb 24 Volt Wiring The Lake St Clair Network

Minn Kota 80lb 24 Volt Wiring The Lake St Clair Network

Wiring Diagram 24 Volt Relay Diagram Base Website Volt Relay

Wiring Diagram 24 Volt Relay Diagram Base Website Volt Relay

Https Www Minnkotamotors Com Sites Minnkotamotors Site Files Selecting The Correct Battery Pdf

Https Www Minnkotamotors Com Sites Minnkotamotors Site Files Selecting The Correct Battery Pdf

Minn Kota Trolling Motor Wiring Diagram Diagram Base Website

Minn Kota Trolling Motor Wiring Diagram Diagram Base Website

Minn Kota Electric Motors Frequently Ask Questions

Minn Kota Electric Motors Frequently Ask Questions

Minn Kota Riptide Powerdrive 70 V2 Parts 2016 From Fish307 Com

Minn Kota Riptide Powerdrive 70 V2 Parts 2016 From Fish307 Com