Mirror Wiring Diagram 96


Gentex Home Link Mirror Wiring Diagram Diagram Base Website Wiring

Gentex Home Link Mirror Wiring Diagram Diagram Base Website Wiring

96 K1500 Mystery Vacuum Line Gm Truck Club Forum

96 K1500 Mystery Vacuum Line Gm Truck Club Forum

3cef 96 F150 Fuse Panel Diagram Wiring Library

3cef 96 F150 Fuse Panel Diagram Wiring Library


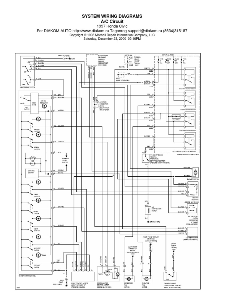
96 00 Ek Power Folding Mirrors Help Honda Tech Honda Forum

96 00 Ek Power Folding Mirrors Help Honda Tech Honda Forum

Mirror Wiring Diagram Hamra Arabians De

Mirror Wiring Diagram Hamra Arabians De

7026b0 Toyota Power Mirror Wiring Diagram Wiring Library

7026b0 Toyota Power Mirror Wiring Diagram Wiring Library

Nice Ford Starter Selenoid Wiring Diagram Electrical Wiring

Nice Ford Starter Selenoid Wiring Diagram Electrical Wiring

2007 Freightliner Century Wiring Diagram Faint Balmoond19

2007 Freightliner Century Wiring Diagram Faint Balmoond19

48e 96 Ford F250 Fuse Diagram Wiring Library

48e 96 Ford F250 Fuse Diagram Wiring Library

Saturn Mirror Wiring Diagram Wiring Diagram

Saturn Mirror Wiring Diagram Wiring Diagram

Jdm Honda Civic Power Folding Mirrors Switch S04 Ek4 Ek3 Ferio

Jdm Honda Civic Power Folding Mirrors Switch S04 Ek4 Ek3 Ferio

Warn 8274 Wiring Diagram Schematic Wiring Diagram

Warn 8274 Wiring Diagram Schematic Wiring Diagram