Mitsubishi Montero Sport Wiring Diagram


Mitsubishi Montero Sport Questions Need Factory Stereo Wiring Diagram Cargurus

Mitsubishi Montero Sport Questions Need Factory Stereo Wiring Diagram Cargurus

Mitsubishi Montero Wiring Lights Wiring Diagram

Mitsubishi Montero Wiring Lights Wiring Diagram

970 2000 Mitsubishi Montero Sport Radio Wiring Sequence Wiring Library

970 2000 Mitsubishi Montero Sport Radio Wiring Sequence Wiring Library

2002 mitsubishi montero sport fuse box custom wiring diagram 2001 mitsubishi montero sport fuse box diagram google search.

Mitsubishi montero sport wiring diagram. Mitsubishi montero 1998 wiring diagram. Mitsubishi montero 1983 85 wiring diagram. 2004 mitsubishi pajero montero pajero sport workshop repair service manual 310mb pdf. Sep 27 2018.

Repair manuals for mitsubishi montero mitsubishi montero sport as well as operating and maintenance manuals and electrical diagrams wiring diagrams. Mitsubishi montero 2003 circuit diagrams 2. This information outlines the wires location color and polarity to help you identify the proper connection spots in the vehicle. The workshop manuals gives a step by step description of the procedures for operating repairing and maintaining the mitsubishi montero mitsubishi montero sport since 1996 with left hand and.

2004 mitsubishi montero service repair manual download. Listed below is the vehicle specific wiring diagram for your car alarm remote starter or keyless entry installation into your 1997 2003 mitsubishi montero sport. Mitsubishi montero models 1997 2004 complete repair manual. 1999 2005 mitsubishi pajeromontero service manual download.

Mitsubishi montero 2003 circuit diagrams 3. Should have one under the hood on a label on the hood. Mitsubishi workshop and repair manuals wiring diagrams mitsubishi montero sport vehicle wiring chart mitsubishi montero workshop manuals free download l wiring diagrams mitsubishi montero sport 3 0 engine diagram my mitsubishi montero service repair manual mitsubishi mitsubishi alarm remote start and stereo wiring mitsubishi car manual wiring. Mitsubishi montero 2003 circuit diagrams 1.

I need a vacume diagram for a 2001 mitsubishi montero sport 30l.


93g93w Diagram Schematic 2002 Mitsubishi Montero Sport Wiring Diagram Full Hd Quality At Diagram Leda Gabriellagiammanco It

93g93w Diagram Schematic 2002 Mitsubishi Montero Sport Wiring Diagram Full Hd Quality At Diagram Leda Gabriellagiammanco It

Mitsubishi Pajero Sport Electrical Wiring Diagrams 1999 2002 Download Best Manuals

Mitsubishi Pajero Sport Electrical Wiring Diagrams 1999 2002 Download Best Manuals

2003 Mitsubishi Montero Service Repair Manual

2003 Mitsubishi Montero Service Repair Manual

1996 Toyota Tercel Wiring Diagram Download By Marymcclung Issuu

1996 Toyota Tercel Wiring Diagram Download By Marymcclung Issuu

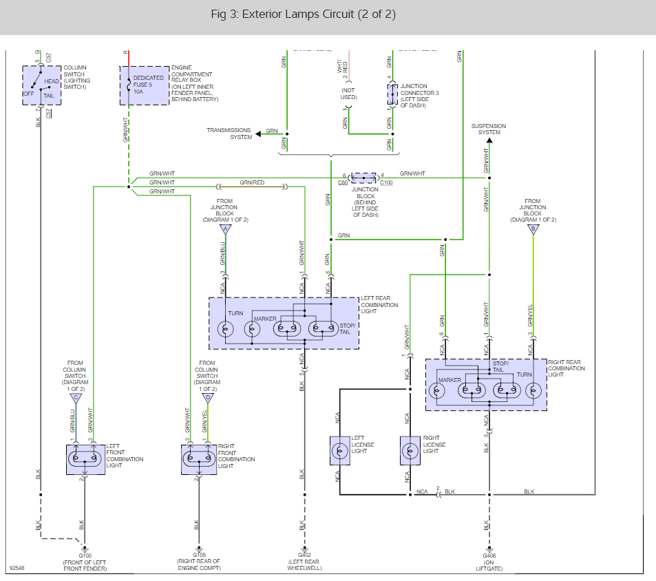
1997 2004 Mitsubishi Montero Sport Wiring Diagram

1997 2004 Mitsubishi Montero Sport Wiring Diagram

1985 Ford F 150 Voltage Regulator Wiring Diagram Diagram Base Website Wiring Diagram Heartdiagram Laboullaysienne Fr

1985 Ford F 150 Voltage Regulator Wiring Diagram Diagram Base Website Wiring Diagram Heartdiagram Laboullaysienne Fr

4d4036 Wiring Diagram 2003 Mitsubishi Montero Sport Wiring Resources

4d4036 Wiring Diagram 2003 Mitsubishi Montero Sport Wiring Resources

I Need A Fuse Box Diagram For 2002 Lancer Diagram Base Website 2002 Lancer Digestivesystemdiagram Nuovoteatroverdi It

I Need A Fuse Box Diagram For 2002 Lancer Diagram Base Website 2002 Lancer Digestivesystemdiagram Nuovoteatroverdi It

2001 2003 Mitsubishi Montero Pajero Service Repair Manual Wiring Diagrams For Sale Online Ebay

2001 2003 Mitsubishi Montero Pajero Service Repair Manual Wiring Diagrams For Sale Online Ebay