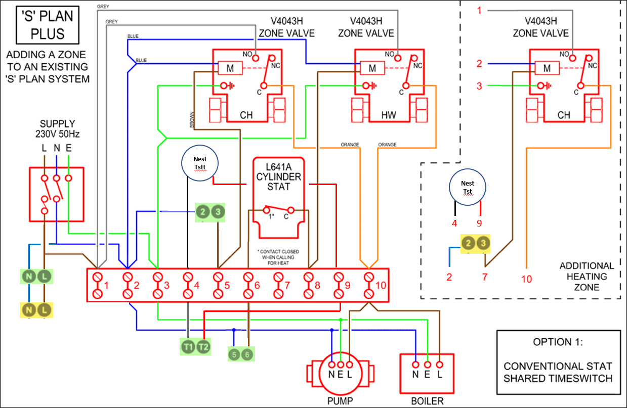
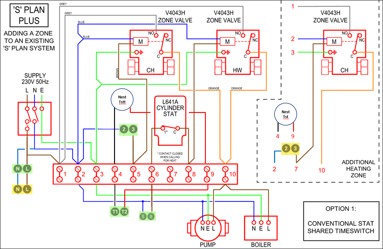
Motorised Valve Wiring Diagram


New Central Heating Zone Wiring Diagram With Images Electrical

New Central Heating Zone Wiring Diagram With Images Electrical

Document

Document

Conecting Arduino With 5 Wires Electric Ball Valve Cwx 15q Brass 3

Conecting Arduino With 5 Wires Electric Ball Valve Cwx 15q Brass 3


Https Www Macblair Com Amfilerating File Download File Id 3124

Https Www Macblair Com Amfilerating File Download File Id 3124

4 Zone Rf Heating Control Pack Eph Controls

4 Zone Rf Heating Control Pack Eph Controls

How To Wire A Nest Diynot Forums

How To Wire A Nest Diynot Forums

Document

Document

Motorised Valves Diywiki

Motorised Valves Diywiki

Electrical Installation

Electrical Installation

Https Storage Ua Prom St 164313 Moplus As2 Rf Installation Pdf

Https Storage Ua Prom St 164313 Moplus As2 Rf Installation Pdf

Https Www Emerson Com Documents Automation Instruction Manual Fisher D4 Control Valve Gen 2 Easy Drive Electric Actuator En 122564 Pdf

Https Www Emerson Com Documents Automation Instruction Manual Fisher D4 Control Valve Gen 2 Easy Drive Electric Actuator En 122564 Pdf

Utica Boiler Wiring Diagram Diagram Base Website Wiring Diagram

Utica Boiler Wiring Diagram Diagram Base Website Wiring Diagram