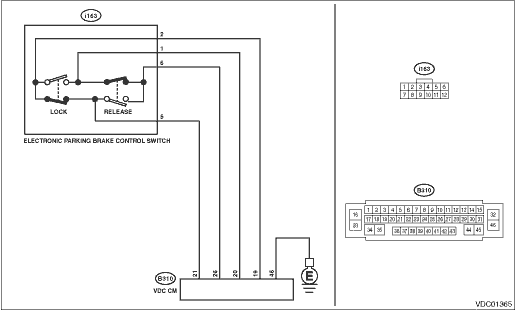
Passat B6 Parking Brake Wiring Diagram


Passat B6 Fuse Assignment For Right Hand Drive Cars Passat

Passat B6 Fuse Assignment For Right Hand Drive Cars Passat

Rear Drum Brake Diagram Automotive Repair Brake Inspection

Rear Drum Brake Diagram Automotive Repair Brake Inspection

Lm 7855 2006 Vw Pat Engine Diagram Wiring Diagram

Lm 7855 2006 Vw Pat Engine Diagram Wiring Diagram


Volkswagen Passat Pdf Service Workshop Manuals Wiring Diagrams

Volkswagen Passat Pdf Service Workshop Manuals Wiring Diagrams

Ross Tech Forums

Ross Tech Forums

B6 Cruise Control Retrofit Passat

B6 Cruise Control Retrofit Passat

Parking Brake And Rear Calipers Archive Vw Audi Forum The 1

Parking Brake And Rear Calipers Archive Vw Audi Forum The 1

150 Volkswagen Workshop Repair Manuals Free Download Sar Pdf

150 Volkswagen Workshop Repair Manuals Free Download Sar Pdf

Vw Passat B6 3c 2005 Fuses Overview

Vw Passat B6 3c 2005 Fuses Overview

Vw Passat Parking Brake Fault See Owners Manual

Vw Passat Parking Brake Fault See Owners Manual

Fuse Box Volkswagen Passat B6

Fuse Box Volkswagen Passat B6

Passat B6 Front Fog Light Circuit Passat

Passat B6 Front Fog Light Circuit Passat