Remote Control Car Schematic Diagram


Af 3504 Radio Remote Control Circuit Based Of Tx2b Rx 2b Pair

Af 3504 Radio Remote Control Circuit Based Of Tx2b Rx 2b Pair

D Rudiant Rc Car Circuit Diagram Pdf

D Rudiant Rc Car Circuit Diagram Pdf

How To Build A Remote Control Rc Car At Home Gadgetronicx

How To Build A Remote Control Rc Car At Home Gadgetronicx


Remote Controlled Toy Car Using 433 Mhz Remote Modules Homemade

Remote Controlled Toy Car Using 433 Mhz Remote Modules Homemade

The Remote Control Circuit Of The Toy Car Remote Control Circuit

The Remote Control Circuit Of The Toy Car Remote Control Circuit

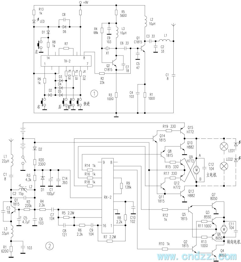
9304 Remote Control Toy Car Schematics Circuit Diagram Zaptoys

9304 Remote Control Toy Car Schematics Circuit Diagram Zaptoys

Car Smart Auto Electric Tail Gate Lift For Volkswagen Vw Touareg

Car Smart Auto Electric Tail Gate Lift For Volkswagen Vw Touareg

Planet Analog Design For A Radio Controlled Car

Planet Analog Design For A Radio Controlled Car

239ch Wireless Remote Control For Toy Car Schematics Chenghai

239ch Wireless Remote Control For Toy Car Schematics Chenghai

Simple Rc Cars Single Channel Transmitters And Super

Simple Rc Cars Single Channel Transmitters And Super

Ks0192 Keyestudio 4wd Bluetooth Multi Functional Car Keyestudio Wiki

Ks0192 Keyestudio 4wd Bluetooth Multi Functional Car Keyestudio Wiki

Wireless Remote Control Car Circuit Diagrams Wiring Diagram Schemes

Wireless Remote Control Car Circuit Diagrams Wiring Diagram Schemes