Rs232 To Ttl Schematic


Opto Isolated Rs232 Interface Download Scientific Diagram

Opto Isolated Rs232 Interface Download Scientific Diagram

Serial To Usb Adapter Schematic لم يسبق له مثيل الصور Tier3 Xyz

Serial To Usb Adapter Schematic لم يسبق له مثيل الصور Tier3 Xyz

R232 Ttl Converters Rs232 To Ttl Cables Converter Cables

R232 Ttl Converters Rs232 To Ttl Cables Converter Cables


Guide To Selecting And Using Rs 232 Rs 422 And Rs 485 Serial

Guide To Selecting And Using Rs 232 Rs 422 And Rs 485 Serial

Serial Port Mini Rs232 To Ttl Converter Adaptor Module Board

Serial Port Mini Rs232 To Ttl Converter Adaptor Module Board

Rs232 To Ttl Search Easyeda

Rs232 To Ttl Search Easyeda

Usb To Rs232 Converter

Usb To Rs232 Converter

1592671324000000

1592671324000000

Usb To Ttl Convertor Schematic Nissi Micro Programming Laboratory

Usb To Ttl Convertor Schematic Nissi Micro Programming Laboratory

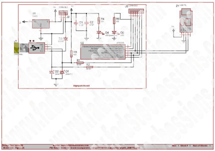
Rs232 With Attiny85 Fads To Obsessions

Rs232 With Attiny85 Fads To Obsessions

Simple Ttl Rs232 Level Converter Using Transistor Electronic

Simple Ttl Rs232 Level Converter Using Transistor Electronic

Ttl To Rs232 Signal Conversion

Ttl To Rs232 Signal Conversion