Samsung Tv Wiring Diagram


19bf86 Samsung Le32m87bdx Tv Service Manual Download Wiring Library

19bf86 Samsung Le32m87bdx Tv Service Manual Download Wiring Library

0a7 Philips Tv Wiring Diagram Digital Resources

0a7 Philips Tv Wiring Diagram Digital Resources

Samsung Hands Free Wiring Diagram

Samsung Hands Free Wiring Diagram


Sansui Tv Circuit Diagram Free Download With Images Circuit

Sansui Tv Circuit Diagram Free Download With Images Circuit

Free Tv Circuit Diagrams Pdf

Free Tv Circuit Diagrams Pdf

01f Wiring Diagram For Receiver To Samsung Tv Wiring Library

01f Wiring Diagram For Receiver To Samsung Tv Wiring Library

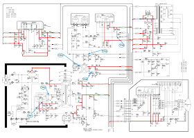
Circuit Board Samsung Crt Tv Circuit Diagram

Circuit Board Samsung Crt Tv Circuit Diagram

How To Free Download Service Manual Of Tv Lcd Led Youtube

How To Free Download Service Manual Of Tv Lcd Led Youtube

8c59d5 Tv Power Schematic Wiring Resources

8c59d5 Tv Power Schematic Wiring Resources

87e758 Samsung Led Tv Wiring Schematic Wiring Library

87e758 Samsung Led Tv Wiring Schematic Wiring Library

Manguonblog Samsung Cs21m16mjzxnwt Crt Tv How To Enter The

Manguonblog Samsung Cs21m16mjzxnwt Crt Tv How To Enter The

Ea9 Repair Manual For Samsung Tv Wiring Library

Ea9 Repair Manual For Samsung Tv Wiring Library