Starter Generator Wiring Diagram Golf Cart


Cart Won T Run At All Golf Cart Ifixit

Cart Won T Run At All Golf Cart Ifixit

Amazon Com Starter Generator For Yamaha G2 G5 G8 G9 G11 G14 Golf

Amazon Com Starter Generator For Yamaha G2 G5 G8 G9 G11 G14 Golf

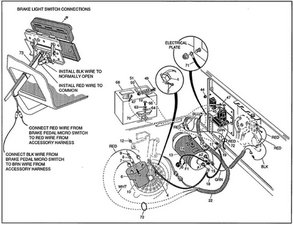
Ol 3508 Wiring Diagram Also Golf Cart Starter Generator Wiring

Ol 3508 Wiring Diagram Also Golf Cart Starter Generator Wiring


Garden Tractor Starter Generator Wiring Diagram

Garden Tractor Starter Generator Wiring Diagram

Hitachi Starter Generator Wiring Diagram Golf Cart Diagram Base

Hitachi Starter Generator Wiring Diagram Golf Cart Diagram Base

Da0eb Kohler Starter Generator Wiring Diagram Wiring Resources

Da0eb Kohler Starter Generator Wiring Diagram Wiring Resources

Yamaha G1 Golf Car Service Repair Manual

Yamaha G1 Golf Car Service Repair Manual

Amazon Com 12v Starter Generator For Club Car Ds Golf Cart 1984

Amazon Com 12v Starter Generator For Club Car Ds Golf Cart 1984

2cf72 Club Car Golf Cart Starter Generator Wiring Diagram Wiring

2cf72 Club Car Golf Cart Starter Generator Wiring Diagram Wiring

F301b5 2001 Club Car Golf Cart Wiring Diagram Wiring Library

F301b5 2001 Club Car Golf Cart Wiring Diagram Wiring Library

2005 Yamaha Gas Golf Cart Wiring Diagram Lair Balmoond19

2005 Yamaha Gas Golf Cart Wiring Diagram Lair Balmoond19

Club Car Ds Starter Generator For 1984 2006 Golf Carts

Club Car Ds Starter Generator For 1984 2006 Golf Carts