Subaru Brat 1987 Wiring Harnes


1987 Subaru Brat Parts Car For Sale Photos Technical

1987 Subaru Brat Parts Car For Sale Photos Technical

Loaded With Bratitude 1987 Suburu Brat Hemmings

Loaded With Bratitude 1987 Suburu Brat Hemmings

Scosche Wiring Harness Dodge Fokus Fuse6 Klictravel Nl

Scosche Wiring Harness Dodge Fokus Fuse6 Klictravel Nl


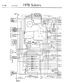
Online Manual Sharing Subaru 1600 Brat 1978 Wiring Diagrams

Online Manual Sharing Subaru 1600 Brat 1978 Wiring Diagrams

Cheap Subaru Brat Lift Find Subaru Brat Lift Deals On Line At

Cheap Subaru Brat Lift Find Subaru Brat Lift Deals On Line At

Was The Subaru Brat Too Weird For Its Own Good

Was The Subaru Brat Too Weird For Its Own Good

Amazon Com Itm Engine Components 09 11305 Cylinder Head Gasket

Amazon Com Itm Engine Components 09 11305 Cylinder Head Gasket

Get Spoiled With This 1984 Subaru Brat Motorious

Get Spoiled With This 1984 Subaru Brat Motorious

Metra Turbo Wire Aftermarket Radio Wire Harness Adapter For

Metra Turbo Wire Aftermarket Radio Wire Harness Adapter For

Was The Subaru Brat Too Weird For Its Own Good

Was The Subaru Brat Too Weird For Its Own Good

Subaru Brat Accelerator Cable Best Accelerator Cable Parts For

Subaru Brat Accelerator Cable Best Accelerator Cable Parts For

For Subaru Oem Stock Radio Plug Stereo Wire Harness 1981 1987 Ebay

For Subaru Oem Stock Radio Plug Stereo Wire Harness 1981 1987 Ebay