
Suzuki transmission diagram. Suzuki master book fault codes dtc. Suzuki jimny transmission control module wiring diagram has been viewed 2732 times which last viewed at 2020 06 11 002908 and has been downloaded 21 times which last downloaded at 2016 11 06 191504 uploaded by harper on 17 mar 2014. We provide the right products at the right prices. In 1909 in a small village on the coast called hamamatsu.
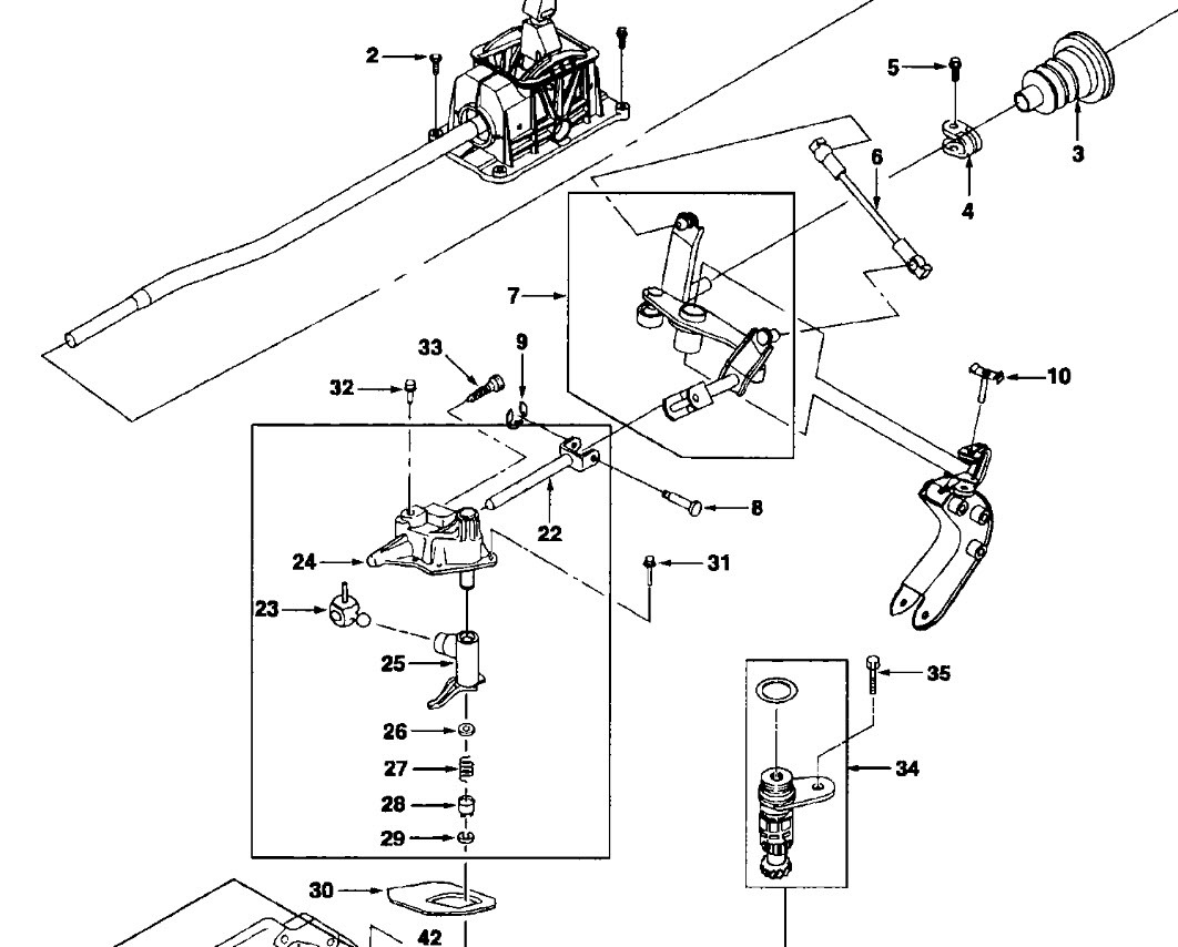
Buy oem parts for suzuki motorcycle 1996 transmission diagram. Write your full name and complete address on the order. Cheap to buy and quick to install. Table of contents to order parts 1.
94 out of 100 based on 499 user ratings the suzuki jimny transmission control module wiring diagram can be download for free. 2008 suzuki grand vitara parts suzuki car parts catalog online store within suzuki grand vitara parts diagram image size 600 x 1148 px and to view image details please click the image. If you have noticed water getting into your transmission fluid making your fluid milky looking then this is the most likely place its getting in. This circuit and wiring diagram.
Page 1 engine parts manual suzuki 660 k6a turf truckster haulster by jacobsen 4140631 1 i n c l u d e s i t e m s 3 1 6. While aisin seiki manufactures a variety of automotive components including automatic transmissions for heavy duty vehicle applications. 25 to 27 swap in 2000 grand vitara inside suzuki grand vitara engine diagram image size 640 x 427 px and to view image details please click the image. Suzuki car manuals pdf wiring diagrams above the page carry celerio ciaz ertiga forenza grand vitara reno swift sx4 xl7.
Explain where and how to make shipment. Buy oem parts for suzuki atv 2005 transmission diagram. Aisin automatic transmissions are manufactured by aisin seiki and aisin aw formerly known as aisin warner and which was established in 1969 as a joint venture between aisin seiki and borgwarnerthe joint venture terminated in 1987.