Switch Fuel Pump Relay Wiring Diagram


Dd1 1994 Toyota Pickup Fuel Pump Wiring Diagram Wiring Resources

Dd1 1994 Toyota Pickup Fuel Pump Wiring Diagram Wiring Resources

Electrical Component Locator 1984 1991 Jeep Cherokee Xj

Electrical Component Locator 1984 1991 Jeep Cherokee Xj

Volvo Fuel Pump Relay Mods

Volvo Fuel Pump Relay Mods


Ae86 Driving Club Ae86dc

Ae86 Driving Club Ae86dc

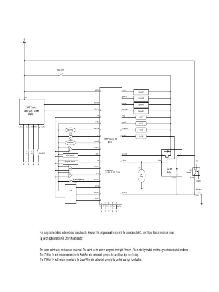
2003 2003 Yzf R1 Ecu Wiring Fuel Injection Switch

2003 2003 Yzf R1 Ecu Wiring Fuel Injection Switch

Fuel Pump Not Getting Power My350z Com Nissan 350z And 370z

Fuel Pump Not Getting Power My350z Com Nissan 350z And 370z

Fuel Pump Harness Not Factory Mustang Forums At Stangnet

Fuel Pump Harness Not Factory Mustang Forums At Stangnet

Using Relays In Automotive Wiring

Using Relays In Automotive Wiring

1991 Dodge Spirit Fuel Pump Electrical Problem 1991 Dodge Spirit

1991 Dodge Spirit Fuel Pump Electrical Problem 1991 Dodge Spirit

Oem Triumph S3 Wiring Schematic 08 10 Triumph Rat Motorcycle

Oem Triumph S3 Wiring Schematic 08 10 Triumph Rat Motorcycle

Aan Ecu T55 Pin Out With Hyperlinks To Devices Audiworld Forums

Aan Ecu T55 Pin Out With Hyperlinks To Devices Audiworld Forums

98c49c Jeep Yj Fuel Pump Wiring Diagram Wiring Library

98c49c Jeep Yj Fuel Pump Wiring Diagram Wiring Library