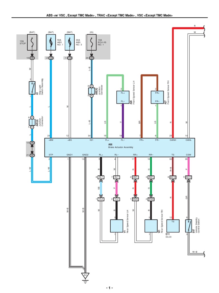
Toyota Corolla Speed Sensor Wiring Diagram


Beautiful Wiring Diagram Great Corolla Diagrams Digramssample

Beautiful Wiring Diagram Great Corolla Diagrams Digramssample

94 Corolla Ignition Wiring Diagram Diagram Base Website Wiring

94 Corolla Ignition Wiring Diagram Diagram Base Website Wiring

2009 2010 Toyota Corolla Electrical Wiring Diagrams

2009 2010 Toyota Corolla Electrical Wiring Diagrams


Diy Vehicle Speed Sensor Code P0500 Clublexus Lexus Forum

Diy Vehicle Speed Sensor Code P0500 Clublexus Lexus Forum

Workshop Manuals General Information Wiring Diagrams Sq

Workshop Manuals General Information Wiring Diagrams Sq

Wiring Diagram For 2009 Toyota Corolla Hamra Arabians De

Wiring Diagram For 2009 Toyota Corolla Hamra Arabians De

2003 Toyota Matrix Transmission Speed Sensor Replacement Ifixit

2003 Toyota Matrix Transmission Speed Sensor Replacement Ifixit

Zze122 Zze123 Ewd Manual

Zze122 Zze123 Ewd Manual

Transmission Speed Sensor Location Just Shoot Me Already

Transmission Speed Sensor Location Just Shoot Me Already

Oh 0755 Electrical Wiring Diagram Vios Free Diagram

Oh 0755 Electrical Wiring Diagram Vios Free Diagram

Where Is My Vehicle Speed Sensor Vss Wire Located For Radio

Where Is My Vehicle Speed Sensor Vss Wire Located For Radio

4b28 Toyota Hiace Repair Manuals Free Download Wiring Library

4b28 Toyota Hiace Repair Manuals Free Download Wiring Library