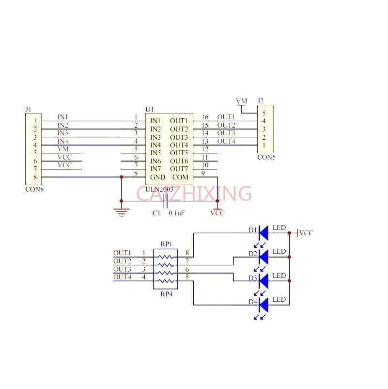
Uln2003 Stepper Motor Driver Board Schematic


Buy Diymall 28byj 48 Stepper Motor 5v Uln2003 Driver Board Kit

Buy Diymall 28byj 48 Stepper Motor 5v Uln2003 Driver Board Kit

Http Www Velleman Eu Downloads 29 Vma401 A4v01 Pdf

Http Www Velleman Eu Downloads 29 Vma401 A4v01 Pdf

Pic Stepper Motor Tester Opencircuits

Pic Stepper Motor Tester Opencircuits


At 0116 Unipolar Motor Controller Using L297 And Uln2003

At 0116 Unipolar Motor Controller Using L297 And Uln2003

Interfacing Stepper Motor With Pic Microcontroller Openlabpro Com

Interfacing Stepper Motor With Pic Microcontroller Openlabpro Com

Easy To Build Cnc Mill Stepper Motor And Driver Circuits 6 Steps

Easy To Build Cnc Mill Stepper Motor And Driver Circuits 6 Steps

Byj48 Stepper Motor 4 Steps Instructables

Byj48 Stepper Motor 4 Steps Instructables

Ti Step Motor Driver Ic

Ti Step Motor Driver Ic

How To Control A Stepper Motor Arduino Maker Pro

How To Control A Stepper Motor Arduino Maker Pro

Driver Circuit For Stepper Motor Pdf

Driver Circuit For Stepper Motor Pdf

New Product Uln2003 Stepper Motor Driver Board Test Module For

New Product Uln2003 Stepper Motor Driver Board Test Module For

How To Use A Stepper Motor With Arduino And Its Driver Uln2003

How To Use A Stepper Motor With Arduino And Its Driver Uln2003