V Cruise Control Wiring Diagram


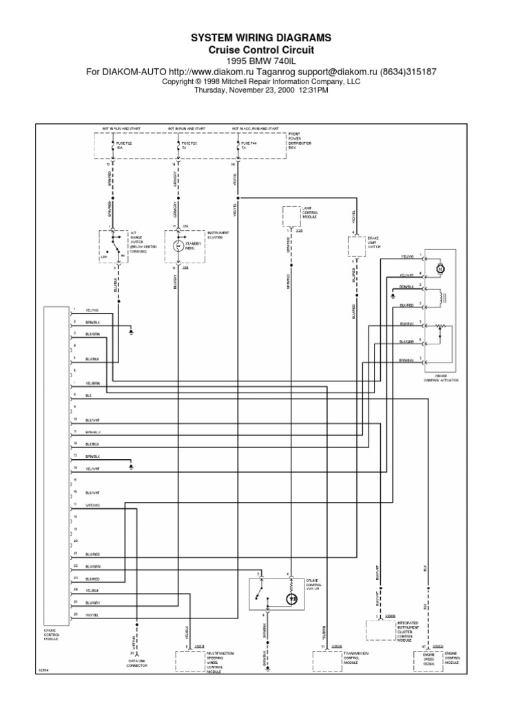
Bmw E38 Schematic Cruise Control Electrical Engineering Technology

Bmw E38 Schematic Cruise Control Electrical Engineering Technology

19f51 1981 Gm Cruise Control Wiring Diagram Wiring Library

19f51 1981 Gm Cruise Control Wiring Diagram Wiring Library

Cruise Control Wiring Diagram Youtube

Cruise Control Wiring Diagram Youtube


5992de 2014 Honda Cr V Fuse Box Diagram Wiring Library

5992de 2014 Honda Cr V Fuse Box Diagram Wiring Library

Toyota Corolla Repair Manual Inspection Procedure Cruise

Toyota Corolla Repair Manual Inspection Procedure Cruise

Sb 6143 Opel Omega B Cruise Control Wiring Diagram Schematic Wiring

Sb 6143 Opel Omega B Cruise Control Wiring Diagram Schematic Wiring

Toyota Corolla Repair Manual Inspection Procedure Cruise

Toyota Corolla Repair Manual Inspection Procedure Cruise

Speed Control Methods Of Various Types Of Speed Control Motors

Speed Control Methods Of Various Types Of Speed Control Motors

Plc Application For Speed Control Of Ac Motors With Vsd

Plc Application For Speed Control Of Ac Motors With Vsd

Wiring Diagrams Honda Civic Berner Neufi De

Wiring Diagrams Honda Civic Berner Neufi De

2000 Cr V Steering Wheel Wiring Diagram Honda Tech Honda

2000 Cr V Steering Wheel Wiring Diagram Honda Tech Honda

Wiring Diagram Honda Cr V 2002 2003 2004 2005

Wiring Diagram Honda Cr V 2002 2003 2004 2005