Vox Wiring Diagram


Seymour Duncan User Group Forums

Seymour Duncan User Group Forums

Vox Ad60vt Service Manual Download Schematics Eeprom Repair

Vox Ad60vt Service Manual Download Schematics Eeprom Repair

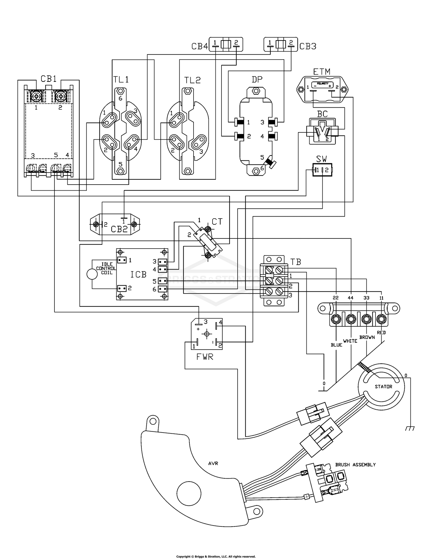
Briggs Amp Stratton Power Products Del 26072017021729 030557 00

Briggs Amp Stratton Power Products Del 26072017021729 030557 00


Vox Guitar Wiring Diagram Wiring Diagram

Vox Guitar Wiring Diagram Wiring Diagram

Vox Vintage Circuit Diagrams

Vox Vintage Circuit Diagrams

Basic Vox Circuit

Basic Vox Circuit

Vox V845 Schematic

Vox V845 Schematic

Some Mods For The Vox Ac4 Tv My Les Paul Forum

Some Mods For The Vox Ac4 Tv My Les Paul Forum

Vox Guitar Wiring Diagram

Vox Guitar Wiring Diagram

Vox Ac30 Combo Amp Wiring Diagram With Images Circuit Diagram

Vox Ac30 Combo Amp Wiring Diagram With Images Circuit Diagram

Britannia

Britannia

Vox Vintage Circuit Diagrams

Vox Vintage Circuit Diagrams