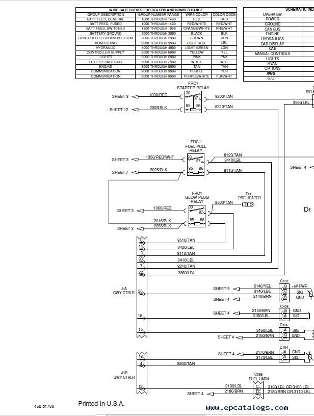
Wire Diagram A770 Bobcat


T7nkn5dp5ompim

T7nkn5dp5ompim

Bobcat A770 All Wheel Steer Loader Service Repair Manual Sn

Bobcat A770 All Wheel Steer Loader Service Repair Manual Sn

Bobcat Skid Steer Pdf Service Manuals Truckmanualshub Com

Bobcat Skid Steer Pdf Service Manuals Truckmanualshub Com


Wire Diagram A770 Bobcat Wiring Diagram

Wire Diagram A770 Bobcat Wiring Diagram

Bobcat S205 Wiring Diagram Similiar Bobcat Skid Steer Parts

Bobcat S205 Wiring Diagram Similiar Bobcat Skid Steer Parts

Bobcat A770 All Wheel Steer Loader Service Manual Pdf

Bobcat A770 All Wheel Steer Loader Service Manual Pdf

4a0e 2013 Bobcat T190 Wiring Diagram Wiring Library

4a0e 2013 Bobcat T190 Wiring Diagram Wiring Library

Bobcat Service Manual Operators Manual Wiring Diagrams Epwars

Bobcat Service Manual Operators Manual Wiring Diagrams Epwars

Bobcat A770 For Sale 35 Listings Machinerytrader Com Page 1 Of 2

Bobcat A770 For Sale 35 Listings Machinerytrader Com Page 1 Of 2

Cc 9787 642 Bobcat Wiring Diagram

Cc 9787 642 Bobcat Wiring Diagram

Service Videos Bobcat Company

Service Videos Bobcat Company

Bobcat A770 All Wheel Steer Loader Service Manual Pdf

Bobcat A770 All Wheel Steer Loader Service Manual Pdf