Wireles Microphone Circuit Diagram


1 5v Miniature Wireless Fm Microphone Circuit

1 5v Miniature Wireless Fm Microphone Circuit

Fm Wireless Microphone Circuit Diagram Eleccircuit Com

Fm Wireless Microphone Circuit Diagram Eleccircuit Com

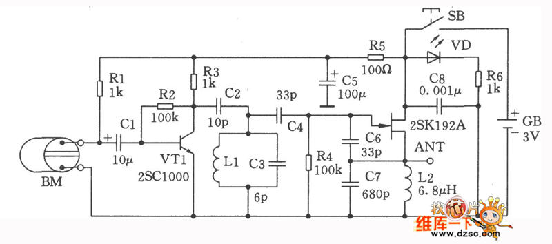
Tk 3515 Wireless Microphone Circuit Diagram

Tk 3515 Wireless Microphone Circuit Diagram


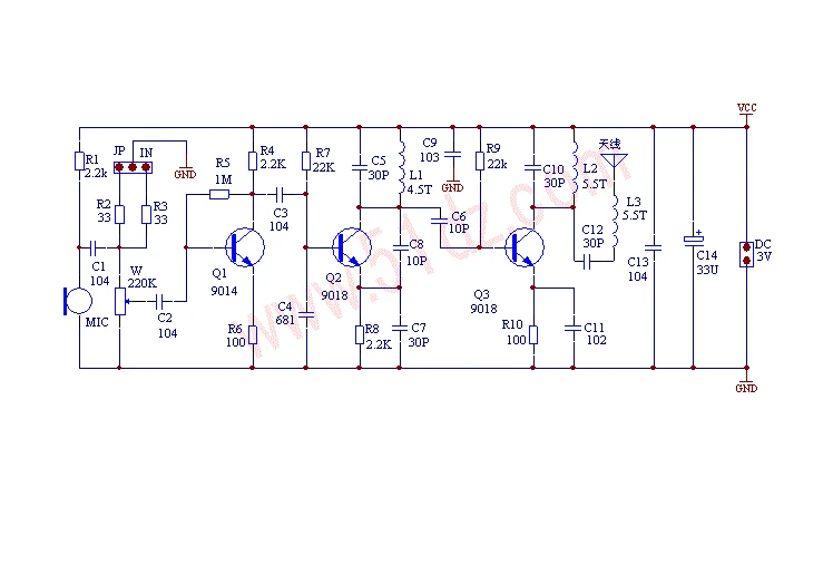
Miniature Fm Wireless Microphone

Miniature Fm Wireless Microphone

Wired Spy Bug Circuit Gadgetronicx

Wired Spy Bug Circuit Gadgetronicx

Uhf Transmitter 5 Pin Input Jack Wiring Microphone Wiring

Uhf Transmitter 5 Pin Input Jack Wiring Microphone Wiring

Fm Wireless Microphone 2 Diagramstrip Com

Fm Wireless Microphone 2 Diagramstrip Com

Dc 1 5v 9v Fm Wireless Microphone Diy Kit Diy Parts For Electronic

Dc 1 5v 9v Fm Wireless Microphone Diy Kit Diy Parts For Electronic

Fet Fm Wireless Microphone Circuit Communication Circuit

Fet Fm Wireless Microphone Circuit Communication Circuit

Quality Stereo Wireless Microphone Or Audio Link Circuit Diagram

Quality Stereo Wireless Microphone Or Audio Link Circuit Diagram

Microphone Amplifier Using Op Amp 741 Op Amp 741 Based Projects

Microphone Amplifier Using Op Amp 741 Op Amp 741 Based Projects

Radio Microphone Meander Entertaining Electronics

Radio Microphone Meander Entertaining Electronics