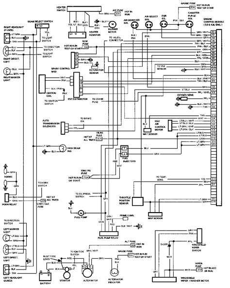
Wiring Diagram 1997 Oldsmobile Achieva


40309 Ebook Databases Complete Ebook For Wiring Fuse Manuals

40309 Ebook Databases Complete Ebook For Wiring Fuse Manuals

1994 Oldsmobile Achieva Turn Signal Flasher My Car Is A Work Of

1994 Oldsmobile Achieva Turn Signal Flasher My Car Is A Work Of

Wrg 2586 H3 Wiring Diagram

Wrg 2586 H3 Wiring Diagram


83edb2f Oldsmobile Achieva Fuse Box Diagram Wiring Library

83edb2f Oldsmobile Achieva Fuse Box Diagram Wiring Library

1993 Oldsmobile Achieva Service Repair Manual

1993 Oldsmobile Achieva Service Repair Manual

Oldsmobile Achieva Timing Mark Fuse Box Diagram 2014 Dodge Ram

Oldsmobile Achieva Timing Mark Fuse Box Diagram 2014 Dodge Ram

5b514c0 Achieva 1995 Fuse Box Diagram Wiring Library

5b514c0 Achieva 1995 Fuse Box Diagram Wiring Library

Radiator Components For 1997 Oldsmobile Achieva Gmpartonline

Radiator Components For 1997 Oldsmobile Achieva Gmpartonline

151 68 Chevelle Fuse Block Wiring Diagram Wiring Resources

151 68 Chevelle Fuse Block Wiring Diagram Wiring Resources

130 Wiring Diagram 1997 Oldsmobile Achieva Wiring Library

130 Wiring Diagram 1997 Oldsmobile Achieva Wiring Library

43v43y Diagram Schematic Wiring Diagram 1997 Oldsmobile Achieva

43v43y Diagram Schematic Wiring Diagram 1997 Oldsmobile Achieva

Solved How Do You Check The Fuel Pump At The Relay On A Olds

Solved How Do You Check The Fuel Pump At The Relay On A Olds