Wiring Diagram Of Air Conditioner


Single Phase Air Conditioner Schematic Diagram From 8 Download

Single Phase Air Conditioner Schematic Diagram From 8 Download

Central Ac Control Wiring Diagram Diagram Base Website Wiring

Central Ac Control Wiring Diagram Diagram Base Website Wiring

Unique Wiring Diagram Ac Split Mitsubishi In 2020 Thermostat

Unique Wiring Diagram Ac Split Mitsubishi In 2020 Thermostat


Electric Motor Capacitor Test Procedures

Electric Motor Capacitor Test Procedures

Electrical Wiring Diagrams Okyotech

Electrical Wiring Diagrams Okyotech

3f5a82c Zamil Air Conditioners Wiring Diagram Wiring Resources

3f5a82c Zamil Air Conditioners Wiring Diagram Wiring Resources

Air Conditioners Qlima Sc5025 Wiring Diagram Acondicionamiento De

Air Conditioners Qlima Sc5025 Wiring Diagram Acondicionamiento De

Schematic Diagram Of The Window Type Air Conditioner With Heat

Schematic Diagram Of The Window Type Air Conditioner With Heat

Toyota Coaster Coach Air Conditioner Circuit Wiring Circuit

Toyota Coaster Coach Air Conditioner Circuit Wiring Circuit

Straight Cool Air Conditioning Schematic Carrier Hvac School

Straight Cool Air Conditioning Schematic Carrier Hvac School

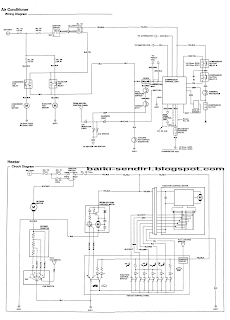
Baiki Sendiri Honda Prelude Ba5 Air Conditioner Circuit Wiring

Baiki Sendiri Honda Prelude Ba5 Air Conditioner Circuit Wiring

Electrical Wiring Diagrams For Air Conditioning Systems Part Two

Electrical Wiring Diagrams For Air Conditioning Systems Part Two