Yardman Mtd Wiring Diagram


Mtd Lawn Mower Parts Manual

Mtd Lawn Mower Parts Manual

Tractor 3 Post Solenoid Mtd Troybilt Yardman Bolens 925 0530 925

Tractor 3 Post Solenoid Mtd Troybilt Yardman Bolens 925 0530 925

Blade Belt Fits Mtd Yardman Lawnflite 754 04069 Ebay

Blade Belt Fits Mtd Yardman Lawnflite 754 04069 Ebay


Ft 9418 Lawn Diagram Wiring Mower Hw2245frigidare Wiring Diagram

Ft 9418 Lawn Diagram Wiring Mower Hw2245frigidare Wiring Diagram

65e65l Diagram Schematic Yardman Lawn Mower Parts Diagram Manual

65e65l Diagram Schematic Yardman Lawn Mower Parts Diagram Manual

Mtd 33939a Front Engine Lawn Tractor Parts Sears Parts Direct

Mtd 33939a Front Engine Lawn Tractor Parts Sears Parts Direct

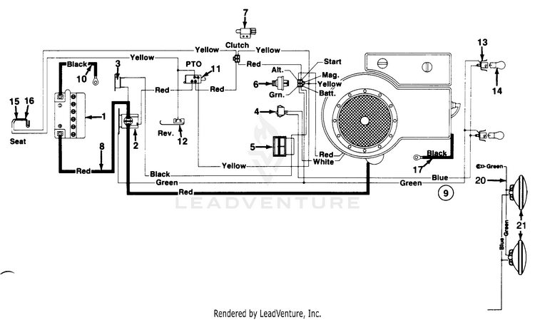
Yardman Riding Mower Wiring Diagram Diagram Base Website Wiring

Yardman Riding Mower Wiring Diagram Diagram Base Website Wiring

Mtd Mtd Lt 1238 Mdl 139 652f118 28217 Lawn Tractor

Mtd Mtd Lt 1238 Mdl 139 652f118 28217 Lawn Tractor

Wall Mount Bathroom Radio Adecromania Info

Wall Mount Bathroom Radio Adecromania Info

Yardman Riding Mower Wiring Diagram Diagram Base Website Wiring

Yardman Riding Mower Wiring Diagram Diagram Base Website Wiring

Yard Man Riding Mower Wiring Diagram Wiring Diagram

Yard Man Riding Mower Wiring Diagram Wiring Diagram

Mtd Wiring Diagram Mtd Lawn Tractor Wiring Diagram Wiring Diagram

Mtd Wiring Diagram Mtd Lawn Tractor Wiring Diagram Wiring Diagram