Nissan Ga16de Wiring Diagram


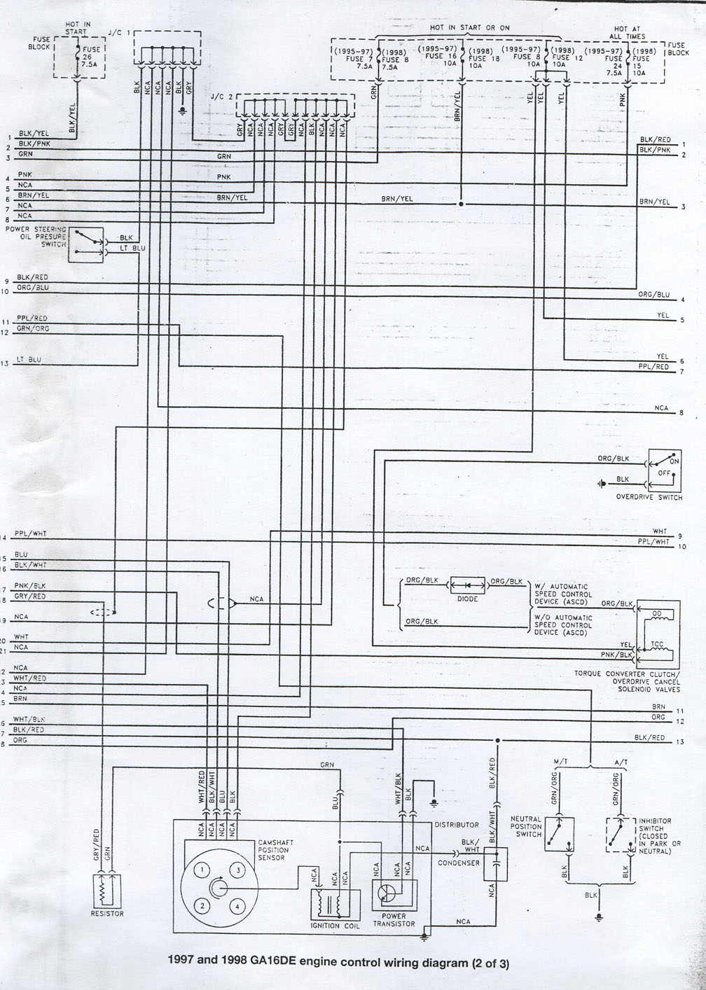
Nissan Ga16de Wiring Diagram Wiring Diagram

Nissan Ga16de Wiring Diagram Wiring Diagram

Nissan Ga14de Ga15de Ga16de

Nissan Ga14de Ga15de Ga16de

Nissan Ca Engine Wikipedia

Nissan Ca Engine Wikipedia


Nissan Ga15de Ecu Wiring Help Nissan Datsun Pakwheels Forums

Nissan Ga15de Ecu Wiring Help Nissan Datsun Pakwheels Forums

Nissan Wiring Diagrams Car Electrical Wiring Diagram

Nissan Wiring Diagrams Car Electrical Wiring Diagram

Nissan Ga16de Wiring Diagram Diagram Base Website Wiring Diagram Fishbonediagram Psykea It

Nissan Ga16de Wiring Diagram Diagram Base Website Wiring Diagram Fishbonediagram Psykea It

Wiring Nissan Vanette Asia Right Wheel

Wiring Nissan Vanette Asia Right Wheel

Nissan Eccs Relay

Nissan Eccs Relay

Wiring Diagram Nissan Ga15 Engine Free Download Wiring Diagrams Schematics

Wiring Diagram Nissan Ga15 Engine Free Download Wiring Diagrams Schematics

I Need The Wiring Diagram For The Spark Plugs To Distributer Cap For A 92 Nissan Sentra 1 6 L

I Need The Wiring Diagram For The Spark Plugs To Distributer Cap For A 92 Nissan Sentra 1 6 L

Sqgpffif1zbm8m

Sqgpffif1zbm8m

Nissan Sentra B14 Wiring Diagram Diagram Base Website Wiring Diagram Plotdiagram Laboullaysienne Fr

Nissan Sentra B14 Wiring Diagram Diagram Base Website Wiring Diagram Plotdiagram Laboullaysienne Fr