
Wiring diagram litar kawalan auto transformer. I have all the switching for 3 individual systems but only 1 transformer. Mempunyai sifat permulaan y. The control circuit consists of relays relay contacts contactors timers counters etc. Basic control circuits basic control circuits are used in starting stopping sequencing and safety automatic interlocking of equipment and machines.
3 phase star delta motor wiring diagram. I want to start 3 electric motors one 150 hp and two 100 hp. Mengelakkan motor daripada terbakar atau rosak dengan adanya komponen dalam sistem yamg mengawalnya. Fungsi sistem kawalan motor.
Thank you darrell bardin. Auto transformer starter diagram explanation in english duration. F sesentuh mara forward contactor r. Kawalan motor kawalan motor adalah satu sistem yang terdiri daripada gabungan beberapa peralatan yang bertujuan untuk mengawal pergerakan motor sama ada 1 fasa atau 3 fasa.
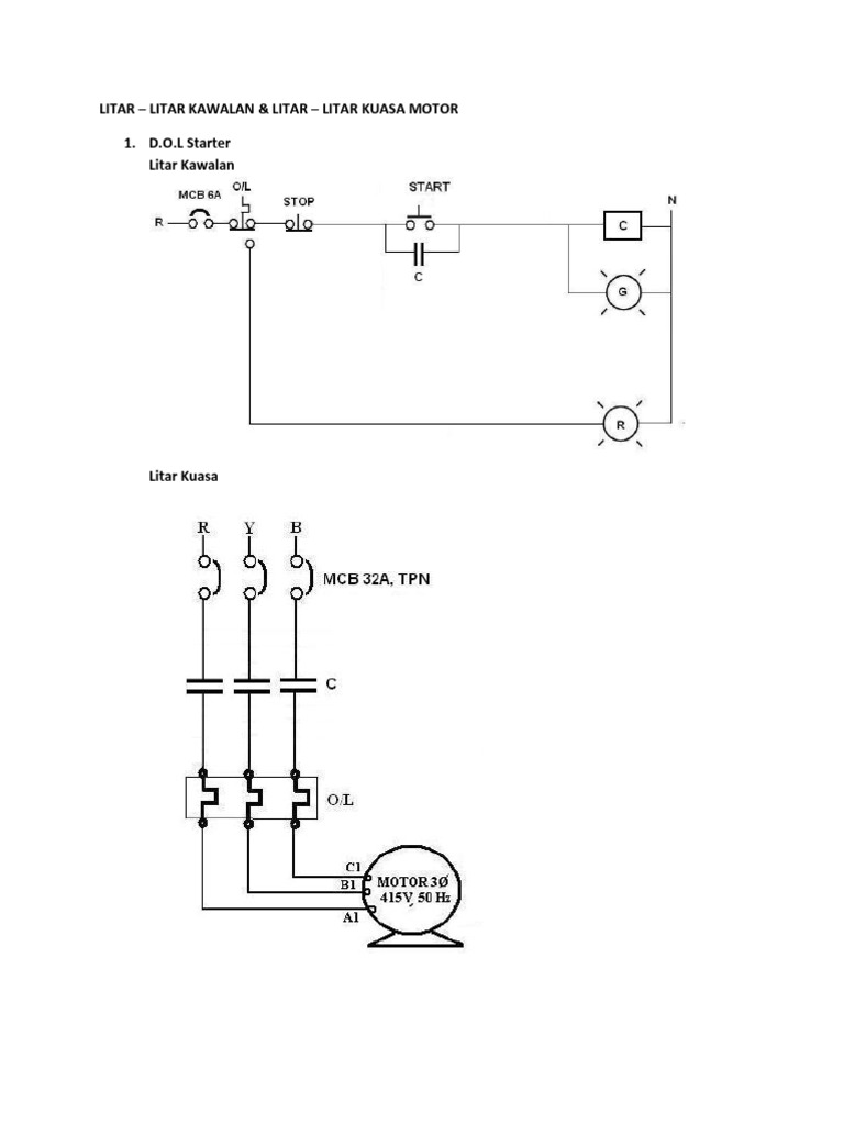
Litar ini digunakan untuk mendawai kawalan motor 13fasa jenis dol. Menghidupkan motor secara berperingkat. Star delta starter control circuit diagram star delta control circuit star delta motor con. How do i go about wiring the timers small relays and interlocks.
Penghidup bintang delta mara songsang litar kawalan petunjuk. Menghidup dan mematikan sesebuah motor elektrik sama ada 1 fasa atau 3 fasa. On one auto transformer. How to wire star delta motor starter.
Current transformer 1 forward reverse starter 1. Jun 19 2014 start stop of 3 phase induction motor with the help of magnetic starter on off three phase motor connection power control schematic wiring diagrams. Star delta forward reverse. Power and control circuit.
Meminimakan arus mula bagi sesebuah motor elektrik seperti penghidup bintang deltapenghidup alatubah auto dan penghidup rotor berperintang. In this tutorial we will show the star delta y d 3 phase induction ac motor starting method by automatic star delta starter with timer with schematic power control and wiring diagram as well as how star delta starter works and their applications with advantages and disadvantages.