Push Button Starter Switch Wiring Diagram


Https Www Alliedelec Com M D 457a1a41cb7d0d23ebaf4e66067ec513 Pdf

Https Www Alliedelec Com M D 457a1a41cb7d0d23ebaf4e66067ec513 Pdf

Amazon Com Welugnal Dc 12v Ignition Switch Panel 5 In 1 Car

Amazon Com Welugnal Dc 12v Ignition Switch Panel 5 In 1 Car

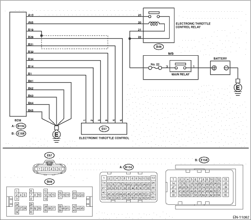
Subaru Legacy Service Manual Dtc P2135 Throttle Pedal Position

Subaru Legacy Service Manual Dtc P2135 Throttle Pedal Position

Typically people install toggle switches and push start buttons in automobiles or other motorized vehicles.

Push button starter switch wiring diagram. L the schematic or line diagram includes all the components of the control circuit and indicates their function. It contains instructions and diagrams for various kinds of wiring techniques and other things like lights home windows and so forth. Push button starter switch wiring diagram circuit using 11n push button starter switch wiring diagram. Start stop push button station wiring diagram book contemporary.

Ford ranger installing starter push button switch duration. Push start buttons and toggle switches allow you to operate a vehicle with the push of a button. Wiring diagram contains numerous comprehensive illustrations that show the relationship of varied items. My ignition took a crapthink the amperage on the push switch is a 20amp.

Start stop push button station wiring diagram unique triumph. When the button is depressed that power will transfer down the purple wire to the starter solenoid activating the starter and allowing the engine to start. Push button start wiring on old ford f250 duration. Though these two devices are similar in their use and installation the process varies slightly.

The push button will remain dead until the ignition switch is activated to the on position. How to install a push button start switch. Start stop push button station wiring diagram collection collections of furnas start stop switch wiring wire center. Once the ignition switch is turned on there will be power at the push button.

Push button starter how to with and without a relay. There a way to do a basic push button switch one to positive battery and one to starter it works but the battery overtime loses charge idk if the amperage of switch isnt enough or whats the problem. Typical wiring diagrams for push button control stations 3 genera information at each circuit is illustrated with a control circuit continued schematic or line diagram and a control station wiring diagram.


S2000 Push Button Start Install Third Generation F Body Message

S2000 Push Button Start Install Third Generation F Body Message

19mm 22mm Billet Automotive Buttons Wiring Diagram Video Rgb

19mm 22mm Billet Automotive Buttons Wiring Diagram Video Rgb

Wiring Push Buttons And Selector Switch To Click Plc Acc Automation

Wiring Push Buttons And Selector Switch To Click Plc Acc Automation

32 How To Wire A Push Button Start Diagram Wiring Diagram List

32 How To Wire A Push Button Start Diagram Wiring Diagram List

Ec002ns Pke Push Start Button Kit User Manual 15 Ec002 Ns Userman

Ec002ns Pke Push Start Button Kit User Manual 15 Ec002 Ns Userman

Start Stop Push Button Wiring Diagram For Android Apk Download

Start Stop Push Button Wiring Diagram For Android Apk Download

30pbl Impress Series Power Points And Switches Clipsal

30pbl Impress Series Power Points And Switches Clipsal

How To Create Relay Logic Circuit With Examples Engineer S Portal

How To Create Relay Logic Circuit With Examples Engineer S Portal

Ignition Switch Push Start Panel Installation Corsa Sport For

Ignition Switch Push Start Panel Installation Corsa Sport For