Schematic Diagram Computer Motherboard Diagram Drawing


Motherboard Layout

Motherboard Layout

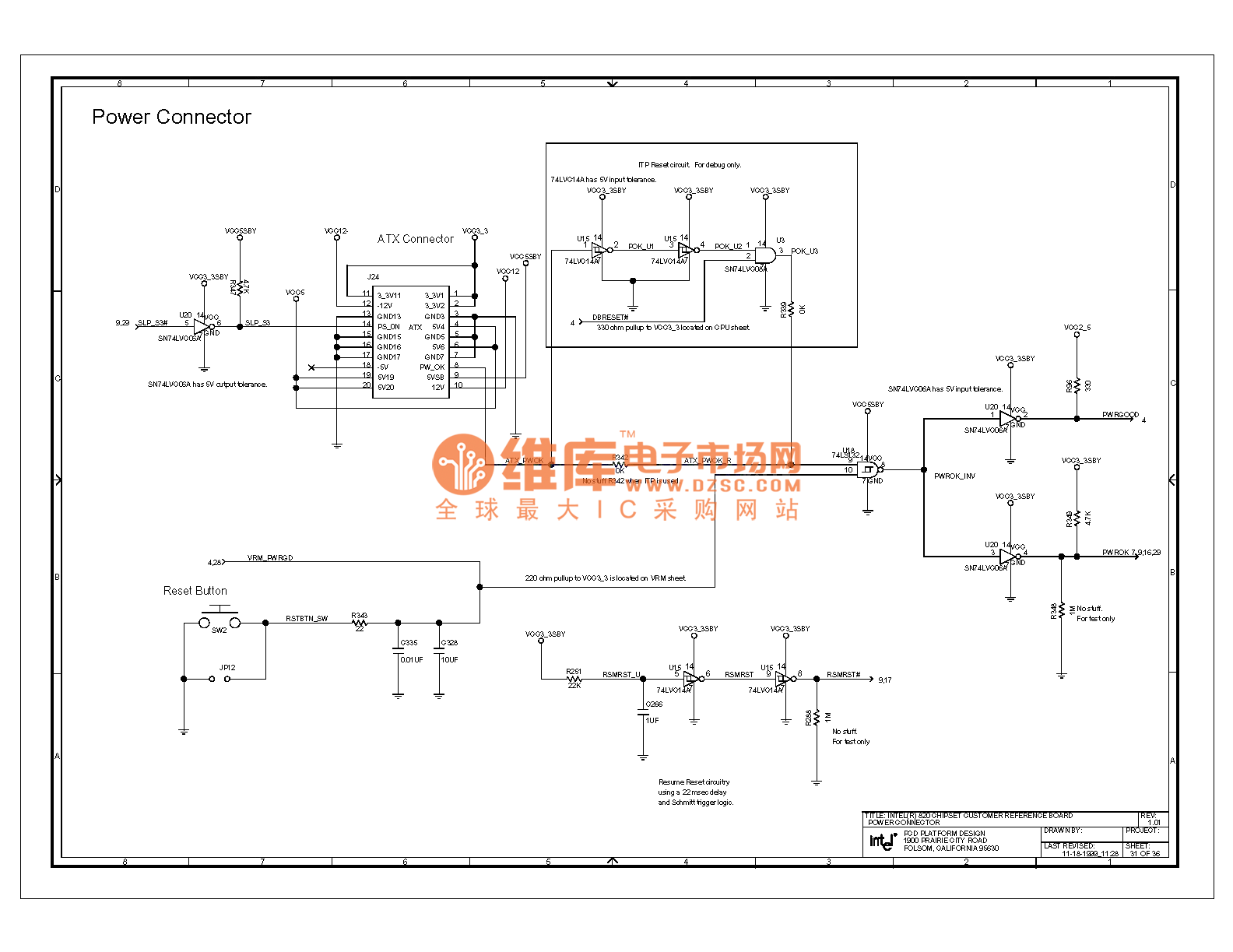
820e Computer Motherboard Circuit Diagram 31 Computer

820e Computer Motherboard Circuit Diagram 31 Computer

Motherboard Diagram Wiring Chart And Connection Guide Basics

Motherboard Diagram Wiring Chart And Connection Guide Basics


Northbridge Computing Wikipedia

Northbridge Computing Wikipedia

Circuit Board Computer Drawing Electronic Motherboard With Chips

Circuit Board Computer Drawing Electronic Motherboard With Chips

Motherboards An Overview Sciencedirect Topics

Motherboards An Overview Sciencedirect Topics

Parts Of A Motherboard And Their Function Turbofuture

Parts Of A Motherboard And Their Function Turbofuture

Computer Motherboard Vector Background Circuit Board Stock Vector

Computer Motherboard Vector Background Circuit Board Stock Vector

What Is A Motherboard Definition Function Diagram Video

What Is A Motherboard Definition Function Diagram Video

Diagrama Esquematico Reparar Para Ipod Reparacion De Software De

Diagrama Esquematico Reparar Para Ipod Reparacion De Software De

Go Look Importantbook Flowchart In An Electronic Diagram Go To

Go Look Importantbook Flowchart In An Electronic Diagram Go To

Lenovo G40 45 Laptop Motherboard Schematic Diagram

Lenovo G40 45 Laptop Motherboard Schematic Diagram