
Troy bilt lawn mower electrical schematic. Each part ought to be set and linked to other parts in particular manner. So that we attempted to identify some terrific troy bilt bronco wiring diagram. Electrical wiring diagrams may be found in the operators manual. Cut down on mowing time with troy bilt lawn mowers equipped for performance and durability.
Yes printed troy bilt operators manuals illustrated parts lists and troy bilt mtd engine manuals are available for purchase. Parts diagrams and manuals available. For electrical diagrams for specific engines and independent brands see below. Its intended to aid all of the typical consumer in creating a suitable system.
Complete exploded views of all the major manufacturers. Free delivery on lawn mowers until april 5 2020. Find parts for your pony troy bilt riding lawn mower. Truly we also have been noticed that troy bilt bronco wiring diagram is being one of the most popular field at this time.
Put the mower away a few days ago all was fine now with a fully charged battery it lawn and garden tractors by brand troy bilt forum pony wiring diagram anyway where can i get a copy of the wiring diagramtroy bilt pony model 13an77tg wiring diagram. Ereplacementparts inside troy bilt bronco wiring diagram image size 620 x 709 px and to view image details please click the image. More in depth electrical troubleshooting information may also be found in the professional shop manual for the product. The price for a pre printed manual is typically less than 20sh but can range up to 45sh for larger documents.
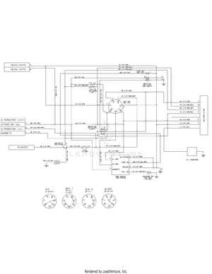
Troy bilt 13wv78ks011 bronco 2015 parts diagram for wiring schematic troy bilt bronco wiring diagram wiring diagram comes with several easy to stick to wiring diagram instructions. If not the arrangement will not work as it ought to be. Free shipping on parts orders over 45. It is easy and free.
These directions will likely be easy to comprehend and use. Please use the following links to contact the engine manufacturers via their web. Troy bilt 13wn77ks011 pony 2013 wiring schematic exploded view parts lookup by model. Its intended to aid all of the typical consumer in creating a suitable system.