Vw Golf Mk3 Wiring Diagram


Dc93 Vw Golf Mk3 Fuse Box Diagram Wiring Library

Dc93 Vw Golf Mk3 Fuse Box Diagram Wiring Library

2002 Vw Cabrio Wiring Diagram Diagram Base Website Wiring Diagram

2002 Vw Cabrio Wiring Diagram Diagram Base Website Wiring Diagram

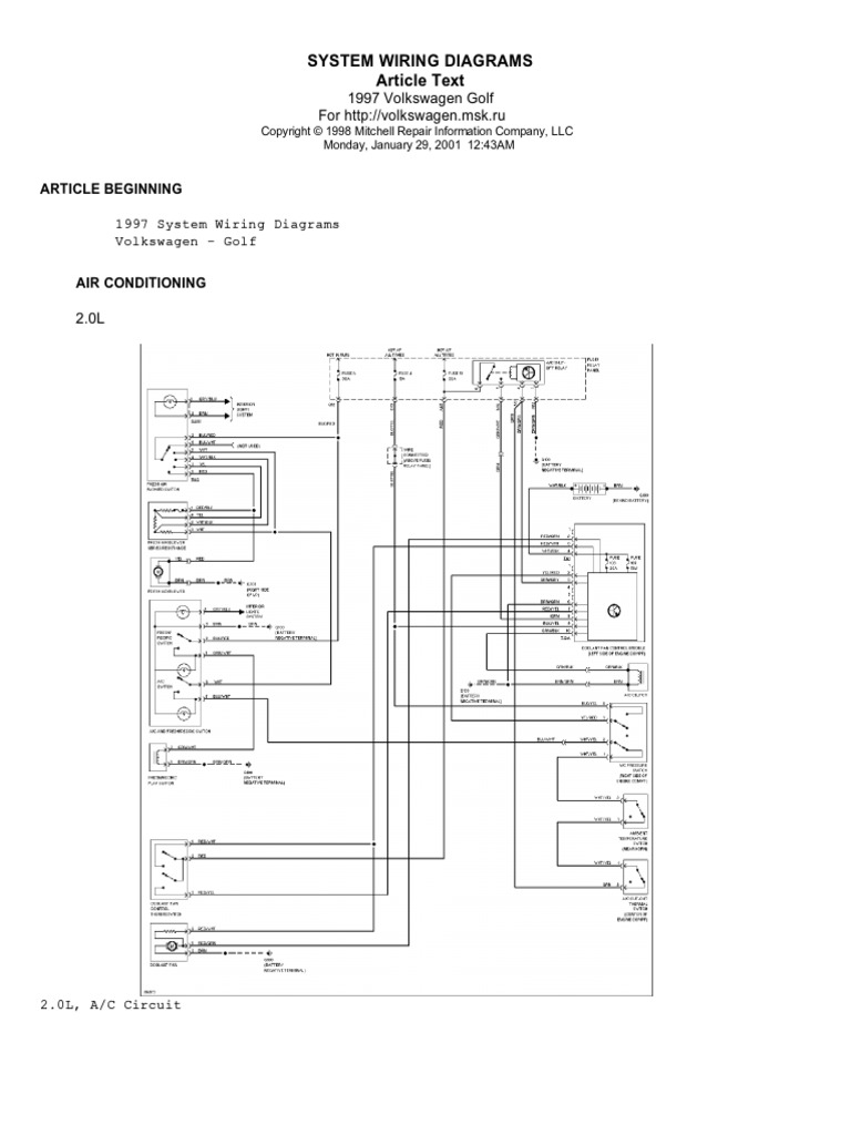
Volkswagen Golf 1997 English Wiring Diagrams Motor Vehicle

Volkswagen Golf 1997 English Wiring Diagrams Motor Vehicle


Wrg 5951 Audi A4 Fuse Box

Wrg 5951 Audi A4 Fuse Box

Volkswagen Workshop Manuals Golf Mk3 Power Unit Digifant

Volkswagen Workshop Manuals Golf Mk3 Power Unit Digifant

Vwvortex Com A Clear And Straightforward Engine Wiring Diagram

Vwvortex Com A Clear And Straightforward Engine Wiring Diagram

A C Mkiii Page

A C Mkiii Page

Gb 7015 Ford Focus Steering Wheel Controls Wiring Diagram

Gb 7015 Ford Focus Steering Wheel Controls Wiring Diagram

Volkswagen Golf Jetta Petrol Diesel 1993 2002 Workshop Manual

Volkswagen Golf Jetta Petrol Diesel 1993 2002 Workshop Manual

Mk3 Golf Gti Wiring Diagram Mepo Service De

Mk3 Golf Gti Wiring Diagram Mepo Service De

Golf 92 Wiring Diagrams Eng

Golf 92 Wiring Diagrams Eng

I Was Wondering Where I Can Obtain An Ignition System Wiring

I Was Wondering Where I Can Obtain An Ignition System Wiring